Upload de programas desde RS-232 para ATmega328P.


precisa de um conversor para TTL -> MAX232
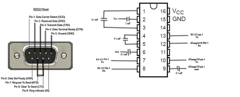
entre pin 1 do MAX232 e pin 3 do MAX232 capacitor 0.1 mf ou mais
entre pin 2 do MAX232 e VCC capacitor 1mf ou mais
entre pin 4 do MAX232 e 5 do MAX232 capacitor 0.1 mf ou mais
entre pin 6 do MAX232 e Grnd capacitor 0.1 mf ou mais
conectar em pin 7 do MAX232 o Rx do DB-9(2)
conectar em pin 8 do MAX232 o DTR do DB-9(4)
conectar em pin 9 do MAX232 capacitor de 0.1 mf e o Reset ATmega328 pin 1
conectar pin 10 do MAX232 com TX do ATmega328 pin 3
conectar pin 12 do MAX232 com RX do ATmegA328 PIN 2
conectar em pin 13 do MAX232 o Tx do DB-9(3)
conectar pin 15 do MAX232 em Grnd
conectar pin 16 do MAX232 em Vcc (+5v)
conectar CTS DB-9(8) celeste no RTS do DB-9(7)
conectar marrão escuro no Grnd
no Arduino selecionar Board -> Arduino uno
conectar no pin 12 do MAX232 um (-)led(+) resistor 1K a Vcc (PC-recebe)
conectar no pin 10 do MAX232 um (+)led(-) resistor 1K a Grd (PC-trasmite)
sem conectar no microcontrollador, ligar computador, chamar arduino,
antes de compilar conectar interface, ligar Vcc.
Conectando "reset" do ATmega328 com ground e compilar.
Quando aparece "uploading" desconecte "reset" de ground.
pins da interface coinciden com pinagem do ATmega328
1 conecta Reset do ATmega328
2 conecta Rx do ATmega328
3 conecta Tx do ATmega328
4,5,6 sem conexão
7 Vcc 5V
8 Ground